Introduction
.jpg)

SIM900 enables GPRS to embedded applications. We can implement the MQTT Client protocol using SIM900 TCP function AT Commands.
MQTT is a lightweight publish-subscribe-based messaging protocol.
- It is quicker (faster) than other request-response based APIs like HTTP.
- It is developed on the basis of TCP/IP protocol.
- It allows remote location devices to connect, subscribe, publish, etc. to a specific topic on the server with the help of a message broker.
- MQTT Broker/Message broker is a module in between the sender and the receiver. It is an element for message validation, transformation, and routing.
- The broker is responsible for distributing messages to the interested clients (subscribed clients) of their interested topic.

- For example, if the temperature sensor publishes the temperature data (message) on the topic “temperature” then interested clients who have subscribed to the “temperature” topic get that published temperature data as shown in the above figure.
MQTT is wildly used in IOT (Internet Of Things) embedded applications, where every sensor will be connected to a server over the internet and we have access to control them.
To know about SIM900 GSM/GPRS Module refer to SIM900
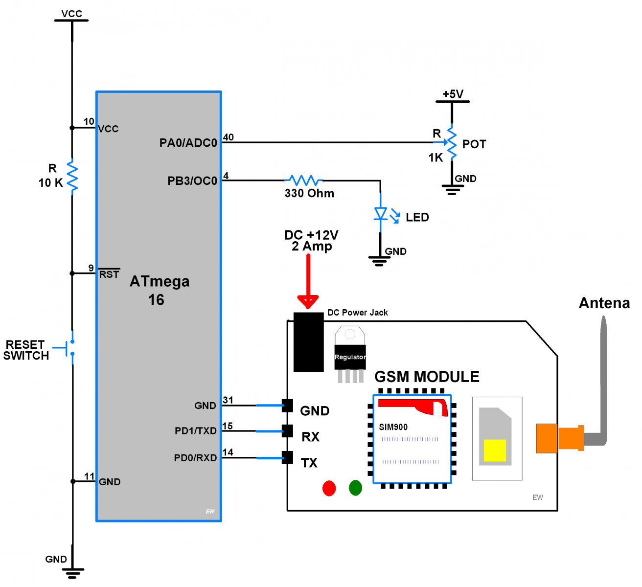
SIM900 Interfacing With Atmega16/32


MQTT Client over GPRS
Let’s program AVR based ATmega16 to configure SIM900A as MQTT Client and Subscribe/Publish data from/to Server using GPRS.
Here we are using the Adafruit server for MQTT Client demo purpose.
In the IOT platform, Adafruit IO Dashboard allows us to visualize and control the connected device to the internet. Anyone can visualize and analyze live data from their sensor devices. To learn more and start with Adafruit IO Dashboard refer link https://learn.adafruit.com/adafruit-io-basics-dashboards/creating-a-dashboard
Just sign up and create a dashboard. After the successful creating of the dashboard, we will get the AIO key which is later used to access feed data.
Example
Now let’s program ATmega16 to control LED brightness and monitor POT status on a remote location from the Adafruit dashboard.
Once we created a dashboard on Adafruit we can add various blocks that can be used to control devices as well as monitor the status of devices. To see more about blocks, refer link https://learn.adafruit.com/adafruit-io-basics-dashboards/adding-blocks
In the below program of MQTT Client, do the following
For MQTT Client Subscribe Demo
#define SUBSRCIBE_DEMO /* Define SUBSRCIBE demo */
//#define PUBLISH_DEMO /* Define PUBLISH demo */For MQTT Client Publish Demo
//#define SUBSRCIBE_DEMO /* Define SUBSRCIBE demo */
#define PUBLISH_DEMO /* Define PUBLISH demo */Edit Fields below with respective data
/* Define Required fields shown below */
#define AIO_SERVER "io.adafruit.com" /* Adafruit server */
#define AIO_SERVER_PORT "1883" /* Server port 8883 for SSL */
#define AIO_BASE_URL "/api/v2" /* Base URL for api */
#define AIO_USERNAME "Enter Username" /* Enter username here */
#define AIO_KEY "Enter AIO key" /* Enter AIO key here */
#define AIO_FEED "Enter Feed Key" /* Enter feed key */
#define APN "internet"
#define USERNAME ""
#define PASSWORD ""In the below program, we are using response-based functions to get the better status if things deviate from normal.
MQTT Packet Formation
MQTT uses many packet formats that used to connect to the server and subscribe or publish to the topic on the server.
Refer below link for MQTT OASIS standard. It will help to understand MQTT packet formations.
http://docs.oasis-open.org/mqtt/mqtt/v3.1.1/os/mqtt-v3.1.1-os.html#_Toc398718027
MQTT Client Code for Atmega16/32
/*
* ATmega16_GPRS_MQTTClient
* http://www.electronicwings.com
*
*/
#define F_CPU 8000000UL /* Define CPU clock Frequency e.g. here its 8MHz */
#include <avr/io.h> /* Include AVR std. library file */
#include <util/delay.h> /* Include delay header file */
#include "SIM900TCPClient.h" /* Include TCP Client header file */
#define min(a,b) ({ __typeof__ (a) _a = (a); __typeof__ (b) _b = (b); _a < _b ? _a : _b; })
#define MQTT_PROTOCOL_LEVEL 4
#define MQTT_CTRL_CONNECT 0x1
#define MQTT_CTRL_CONNECTACK 0x2
#define MQTT_CTRL_PUBLISH 0x3
#define MQTT_CTRL_PUBACK 0x4
#define MQTT_CTRL_PUBREC 0x5
#define MQTT_CTRL_PUBREL 0x6
#define MQTT_CTRL_PUBCOMP 0x7
#define MQTT_CTRL_SUBSCRIBE 0x8
#define MQTT_CTRL_SUBACK 0x9
#define MQTT_CTRL_UNSUBSCRIBE 0xA
#define MQTT_CTRL_UNSUBACK 0xB
#define MQTT_CTRL_PINGREQ 0xC
#define MQTT_CTRL_PINGRESP 0xD
#define MQTT_CTRL_DISCONNECT 0xE
#define MQTT_QOS_1 0x1
#define MQTT_QOS_0 0x0
/* Adjust as necessary, in seconds */
#define MQTT_CONN_KEEPALIVE 60
#define MQTT_CONN_USERNAMEFLAG 0x80
#define MQTT_CONN_PASSWORDFLAG 0x40
#define MQTT_CONN_WILLRETAIN 0x20
#define MQTT_CONN_WILLQOS_1 0x08
#define MQTT_CONN_WILLQOS_2 0x18
#define MQTT_CONN_WILLFLAG 0x04
#define MQTT_CONN_CLEANSESSION 0x02
#define DEFAULT_BUFFER_SIZE 200
#define DEFAULT_TIMEOUT 10000
#define DEFAULT_CRLF_COUNT 2
/* Select Demo */
#define SUBSRCIBE_DEMO /* Define SUBSRCIBE demo */
//#define PUBLISH_DEMO /* Define PUBLISH demo */
#define AIO_SERVER "io.adafruit.com" /* Adafruit server */
#define AIO_SERVER_PORT "1883" /* Server port */
#define AIO_BASE_URL "/api/v2" /* Base URL for api */
#define AIO_USERNAME "Enter Username" /* Enter username here */
#define AIO_KEY "Enter AIO key" /* Enter AIO key here */
#define AIO_FEED "Enter Feed Key" /* Enter feed key */
#define APN "internet"
#define USERNAME ""
#define PASSWORD ""
int16_t packet_id_counter = 0;
char clientID[] ="";
char will_topic[] = "";
char will_payload[] ="";
uint8_t will_qos = 1;
uint8_t will_retain = 0;
uint16_t StringToUint16(uint8_t* _String)
{
uint16_t value = 0;
while ('0' == *_String || *_String == ' ' || *_String == '"')
{
_String++;
}
while ('0' <= *_String && *_String <= '9')
{
value *= 10;
value += *_String - '0';
_String++;
}
return value;
}
uint8_t* AddStringToBuf(uint8_t *_buf, const char *_string)
{
uint16_t _length = strlen(_string); /* Add length and string in buffer */
_buf[0] = _length >> 8;
_buf[1] = _length & 0xFF;
_buf+=2;
strncpy((char *)_buf, _string, _length);
return _buf + _length;
}
bool sendPacket(uint8_t *buffer, uint16_t len)
{
if (TCPClient_connected())
{
uint16_t sendlen = min(len, 250);
TCPClient_Send((char*)buffer, sendlen);
return true;
}
else
return false;
}
uint16_t readPacket(uint8_t *buffer, int16_t _timeout)
{
uint16_t len = 0;
while (TCPClient_DataAvailable() > 0 && _timeout >=0)
{
buffer[len++] = TCPClient_DataRead();
_timeout-= 10; _delay_ms(10);
}
buffer[len] = 0;
return len;
}
uint8_t MQTT_ConnectToServer()
{
return TCPClient_Start(1, AIO_SERVER, AIO_SERVER_PORT);
}
uint16_t MQTT_connectpacket(uint8_t* packet)
{
uint8_t*_packet = packet;
uint16_t _length;
_packet[0] = (MQTT_CTRL_CONNECT << 4);
_packet+=2;
_packet = AddStringToBuf(_packet, "MQTT");
_packet[0] = MQTT_PROTOCOL_LEVEL;
_packet++;
_packet[0] = MQTT_CONN_CLEANSESSION;
if (will_topic && strlen(will_topic) != 0) {
_packet[0] |= MQTT_CONN_WILLFLAG;
if(will_qos == 1)
_packet[0] |= MQTT_CONN_WILLQOS_1;
else if(will_qos == 2)
_packet[0] |= MQTT_CONN_WILLQOS_2;
if(will_retain == 1)
_packet[0] |= MQTT_CONN_WILLRETAIN;
}
if (strlen(AIO_USERNAME) != 0)
_packet[0] |= MQTT_CONN_USERNAMEFLAG;
if (strlen(AIO_KEY) != 0)
_packet[0] |= MQTT_CONN_PASSWORDFLAG;
_packet++;
_packet[0] = MQTT_CONN_KEEPALIVE >> 8;
_packet++;
_packet[0] = MQTT_CONN_KEEPALIVE & 0xFF;
_packet++;
if (strlen(clientID) != 0) {
_packet = AddStringToBuf(_packet, clientID);
} else {
_packet[0] = 0x0;
_packet++;
_packet[0] = 0x0;
_packet++;
}
if (will_topic && strlen(will_topic) != 0) {
_packet = AddStringToBuf(_packet, will_topic);
_packet = AddStringToBuf(_packet, will_payload);
}
if (strlen(AIO_USERNAME) != 0) {
_packet = AddStringToBuf(_packet, AIO_USERNAME);
}
if (strlen(AIO_KEY) != 0) {
_packet = AddStringToBuf(_packet, AIO_KEY);
}
_length = _packet - packet;
packet[1] = _length-2;
return _length;
}
uint16_t MQTT_publishPacket(uint8_t *packet, const char *topic, char *data, uint8_t qos)
{
uint8_t *_packet = packet;
uint16_t _length = 0;
uint16_t Datalen=strlen(data);
_length += 2;
_length += strlen(topic);
if(qos > 0) {
_length += 2;
}
_length += Datalen;
_packet[0] = MQTT_CTRL_PUBLISH << 4 | qos << 1;
_packet++;
do {
uint8_t encodedByte = _length % 128;
_length /= 128;
if ( _length > 0 ) {
encodedByte |= 0x80;
}
_packet[0] = encodedByte;
_packet++;
} while ( _length > 0 );
_packet = AddStringToBuf(_packet, topic);
if(qos > 0) {
_packet[0] = (packet_id_counter >> 8) & 0xFF;
_packet[1] = packet_id_counter & 0xFF;
_packet+=2;
packet_id_counter++;
}
memmove(_packet, data, Datalen);
_packet+= Datalen;
_length = _packet - packet;
return _length;
}
uint16_t MQTT_subscribePacket(uint8_t *packet, const char *topic, uint8_t qos)
{
uint8_t *_packet = packet;
uint16_t _length;
_packet[0] = MQTT_CTRL_SUBSCRIBE << 4 | MQTT_QOS_1 << 1;
_packet+=2;
_packet[0] = (packet_id_counter >> 8) & 0xFF;
_packet[1] = packet_id_counter & 0xFF;
_packet+=2;
packet_id_counter++;
_packet = AddStringToBuf(_packet, topic);
_packet[0] = qos;
_packet++;
_length = _packet - packet;
packet[1] = _length-2;
return _length;
}
void PWM_init()
{
/* Set fast PWM mode with non-inverted output*/
TCCR0 = (1<<WGM00) | (1<<WGM01) | (1<<COM01) | (1<<CS00);
DDRB |= (1<<PB3); /*set OC0 pin as output*/
}
void ADC_Init()
{
DDRA = 0x00;
ADCSRA = 0x87;
ADMUX = 0x40;
}
int ADC_Read(char channel)
{
ADMUX = 0x40 | (channel & 0x07);
ADCSRA |= (1<<ADSC);
while (!(ADCSRA & (1<<ADIF)));
ADCSRA |= (1<<ADIF);
_delay_ms(1);
return ADCW;
}
int main()
{
char buf[4];
uint8_t _buffer[150];
uint16_t len;
#ifdef SUBSRCIBE_DEMO
long KeepAliveTime;
PWM_init();
#endif
#ifdef PUBLISH_DEMO
ADC_Init();
#endif
USART_Init(9600); /* Initiate USART with 9600 baud rate */
sei(); /* Start global interrupt */
while(!SIM900_Start());
TCPClient_Shut();
TCPClient_ConnectionMode(0); /* 0 = Single; 1 = Multi */
TCPClient_ApplicationMode(0); /* 0 = Normal Mode; 1 = Transperant Mode */
AttachGPRS();
while(!(TCPClient_Connect(APN, USERNAME, PASSWORD)));
while(1)
{
MQTT_ConnectToServer();
len = MQTT_connectpacket(_buffer);
sendPacket(_buffer, len);
len = readPacket(_buffer, 1000);
#ifdef PUBLISH_DEMO
while(TCPClient_connected())
{
memset(_buffer, 0, 150);
memset(buf, 0, 4);
itoa(((float)ADC_Read(0)/10.4), buf, 10); /* Read ADC channel 0 and publish it in range 0-100 */
len = MQTT_publishPacket(_buffer, "Nivya151/feeds/test", buf, 1);/* topic format: "username/feeds/aio_feed" e.g. "Nivya151/feeds/test" */
sendPacket(_buffer, len);
}
TCPClient_Close();
_delay_ms(1000);
#endif
#ifdef SUBSRCIBE_DEMO
uint8_t valuePointer=0;
memset(_buffer, 0, 150);
len = MQTT_subscribePacket(_buffer, "Nivya151/feeds/test", 1);/* topic format: "username/feeds/aio_feed" e.g. "Nivya151/feeds/test" */
sendPacket(_buffer, len);
KeepAliveTime = (MQTT_CONN_KEEPALIVE * 1000L);
while(KeepAliveTime > 0)/* Read subscription packets till Alive time */
{
len = readPacket(_buffer, 1000);
for (uint16_t i=0; i<len;i++)
{
for (uint8_t k = 0; k < 4; k++)/* here 4 is aio_feed char length e.g. aio_feed "test" has length of 4 char */
buf[k] = _buffer[i + k];
if (strstr(buf, AIO_FEED) != 0)
{
valuePointer = i + 4;
OCR0 = 2.5 * StringToUint16(_buffer + valuePointer);
i = len;
}
}
_delay_ms(1);
KeepAliveTime--;
}
if(TCPClient_connected()) TCPClient_Close();
_delay_ms(1000);
#endif
}
}
Components Used |
||
|---|---|---|
| ATmega 16 ATmega 16 |
X 1 | |
| Atmega32 Atmega32 |
X 1 | |
| SIM900A GSM GPRS Module SIM900A is dual band GSM/GPRS 900/1800MHz module board used to utilize GSM and GPRS services around the globe. It is used to make/receive voice calls, send/receive text messages, connect to and access the internet over GPRS. |
X 1 | |
| CP2103 USB TO UART BRIDGE CP2103 is single chip USB to UART Bridge. It supports USB 2.0 protocol. |
X 1 | |