Introduction
- DTMF (Dual Tone Multi-Frequency) signaling is used for telecommunication signaling over telephone line in the voice frequency band between communication devices (telephone, mobile).
- It is a set of eight audio frequencies transmitted/received in pairs to represent 16 different signals.
- The Telephone keypad is 4x4 or 4x3 matrix of push buttons in which rows represents lower frequency component and columns represents higher frequency component which is mapped as follows.
Table1: Telephone Keypad Tone Frequencies
| FL\FH | 1209Hz | 1336Hz | 1477Hz | 1633Hz |
| 697Hz | 1 | 2 | 3 | A |
| 770Hz | 4 | 5 | 6 | B |
| 852Hz | 7 | 8 | 9 | C |
| 941Hz | * | 0 | # | D |
- For each column and row unique frequency is assigned. No frequency is multiple of other.
- Pressing a key sends a combination of the two sine frequencies corresponding to row and column.
DTMF Encoding
- Each DTMF tone must contain one sinusoid from high frequency group (1209, 1336, 1477, 1633) and one sinusoid from the low frequency group (697, 770, 852, 941).
- When a key is pressed, combination of low and high frequency is sent.
- E.g. When key ‘5’ is pressed, superimposition of tones (frequencies) 770 Hz and 1336 Hz produces a tone.
- Each key pressed can be represented as a discrete time signal of form as given below,
Dt[n] = A*sin (2 * pi * FH * n) + A*sin (2 * pi * FL * n), 0≤n≤N-1
Where,
A – Amplitude
N – Number of samples
n – sampling frequency (8 kHz)
DTMF Decoding
- DTMF receiver decodes dial tone and identifies which key is pressed by the user.
- The input to the decoder is a DTMF tone that is generated by DTMF encoder.
- Decoder has Band split filter (FIR) which is centered at the frequencies of interest for decoding each key pressed.
- Band split filter section separates lower frequency tone and higher frequency tone and provides it to digital decoder section
- Digital decoder verifies the frequency and duration of received tones and provides4-bit output.
For more detail, you can refer attached DTMF Encoding and Decoding file.
There are various DTMF decoders available in market such as MT8870, HT9170 etc. Out of those, MT8870 information is given below.
MT8870 Decoder
- MT8870 is a DTMF receiver which consists of a bandsplit filter section along with digital decoder section.
- The output of DTMF receiver is 4-bit digital, which is used to identify the total 16 combinations of the input as shown in below table.
Table2: Tone Decoding
| DIGIT | Q4 | Q3 | Q2 | Q1 |
| 1 | 0 | 0 | 0 | 1 |
| 2 | 0 | 0 | 1 | 0 |
| 3 | 0 | 0 | 1 | 1 |
| 4 | 0 | 1 | 0 | 0 |
| 5 | 0 | 1 | 0 | 1 |
| 6 | 0 | 1 | 1 | 0 |
| 7 | 0 | 1 | 1 | 1 |
| 8 | 1 | 0 | 0 | 0 |
| 9 | 1 | 0 | 0 | 1 |
| 0 | 1 | 0 | 1 | 0 |
| * | 1 | 0 | 1 | 1 |
| # | 1 | 1 | 0 | 0 |
| A | 1 | 1 | 0 | 1 |
| B | 1 | 1 | 1 | 0 |
| C | 1 | 1 | 1 | 1 |
| D | 0 | 0 | 0 | 0 |
| ANY | Z | Z | Z | Z |
Where, Z= High Impedance.
- In most cellphones, there is only a 4 rows x 3 columns matrix keypad available i.e. only 12 tones are possible of total 16 tones.
- DTMF technique is widely used in telecom exchange room to transmit a character on telephone line for giving instruction to the operator. Also, it is used in many applications to control the devices remotely.
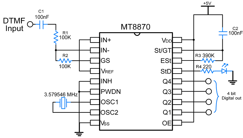
Basic connection of MT8870 (DTMF)
The basic connection diagram of the MT8870 (DTMF) IC is shown in figure below.

Note: DTMF Input – Connect Audio cable from mobile to DTMF input with respect to ground.
Power-down and Inhibit Mode (PWDN & INH)
- A logic high applied to pin 6 (PWDN) will power down the device to minimize the power consumption in a standby mode. It stops the oscillator and the functions of the filters.
- Inhibit mode is enabled by a logic high input to the pin 5 (INH). It inhibits the detection of tones representing characters A, B, C and D. The output code will remain the same as the previous detected code.
Delayed Steering Output (StD)
- StD output presents high whenever there is new tone pair registered and updated on output latch.
- This pin is used as signal for new tone receive.
Testing MT8870 DTMF Output
Before interfacing MT8870 DTMF module/IC with any microcontroller, we can check the output by connecting 4 LEDs on Q4:Q1 pin and do the connection as shown in above basic connection diagram.
1. Connect Audio jack of mobile to the DTMF input.
2. Press any dial tone key. (Check keypad tone setting for whether it is muted and set it on 100% volume)
3. And verify above respective combination of LEDs from above table.
E.g. When key ‘1’ is pressed then LED on Q1 pin will glow and other LEDs will remain OFF.
Here, testing of MT8870 DTMF module is as shown below,

Examples of MT8870 DTMF Decoder interfacing
Components Used |
||
|---|---|---|
| MT8870 DTMF Decoder MT8870 is a DTMF (Dual Tone Multi-Frequency) receiver, which decodes the dial tone generated from telephone keypad. It is used in interactive voice response systems (IVRS), Remote control, Credit card systems etc. |
X 1 | |